Privacy statement: Your privacy is very important to Us. Our company promises not to disclose your personal information to any external company with out your explicit permission.
Integraler Flansch
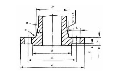
ST -Aal -Flansche werden häufig als beliebte Kategorie von Rohranpassungen verwendet . Anders vom Ausrutscher auf Flansch und blindem Flansch, der integrale Flansch zum Flanschstandard des Ministeriums für chemische Industrie gehört, das eine Form der Expression des Mini -Stry -Flansches der chemischen Industrie ist (auch als HG -Flansch bekannt). Verwenden Sie in verschiedenen inländischen Standards einfach, wenn Sie den integralen Flansch angeben, ein Flansch mit einem Kegelschnitthals.

Der integrale Flansch ist der Teil, der das Rohr mit dem Rohr verbindet und mit dem Ende des Rohrs verbunden ist. Es gibt Löcher im gesamten Flansch, und die Schrauben machen die beiden Flansche fest angeschlossen. Die Flansche werden dichtet.
Der gesamte Flansch wird hauptsächlich in der Rohrleitung mit hohem Druck verwendet, was im Allgemeinen eine plötzliche Oberfläche (RF) ist. Wenn es sich in den Servicebedingungen von entzündlich, explosiv, hoch und extrem schädlich befindet, kann es zusätzlich zur HF -Oberfläche die Form der Dichtfläche der konvexen und konkaven Oberfläche (MFM) sowie der Leit- und Rillenoberfläche (TG) wählen.

July 20, 2023
July 20, 2023
July 20, 2023
July 03, 2023
Mail an Lieferanten
July 20, 2023
July 20, 2023
July 20, 2023
July 03, 2023
Privacy statement: Your privacy is very important to Us. Our company promises not to disclose your personal information to any external company with out your explicit permission.
Fill in more information so that we can get in touch with you faster
Privacy statement: Your privacy is very important to Us. Our company promises not to disclose your personal information to any external company with out your explicit permission.